内容
什么是D触发器(D Latch)?
D触发器(也称为D锁存器或“数据”或“延迟”触发器)是一种触发器跟踪输入,使转换与输入D匹配。D代表“数据”;这个触发器存储数据线上的值。它可以被看作是一个基本的记忆细胞。
在一个活跃的高SR触发器当S (Set)和R (Reset)都为0时,锁存器的输出没有变化,当S和R都为1时,锁存器的输出是完全不可预测的。在一个有源低SR触发器当S和R都为1时,闩锁的输出没有变化,当S和R都为0时,闩锁的输出是完全不可预测的。
所以如果两个触发器的输入是相同的,就会有一个没有变化或无效的输出条件。如果我们避免这些输入条件,就会出现SET或RESET条件。
在许多应用中,只需要锁存器的SET和RESET条件。在这些应用程序中,我们可以使用总是互为补充的输入(S和R)。
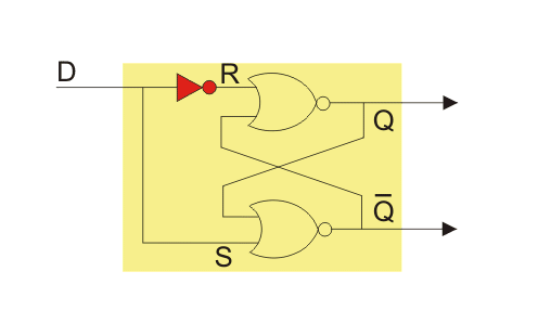
这可以通过一个锁存器的单输入(S)来设计,而R输入通过将这个S反置来实现。这个单输入被称为数据输入标记为D。
这就是为什么这种类型的单输入触发器被称为D-触发器或D Latch。d触发器的基本逻辑表示(即电路图)如下所示。
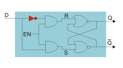
D门闩可以是门控的。这些类型的D锁存器被称为封闭的D门闩.
封闭的D锁
有许多应用程序不需要单独的S和R输入。在这些情况下,通过创建D触发器,我们可以省略S = R = 0和S = R = 1的条件。在D触发器中,如果D = 1,则S = 1, R = 0,则锁存器被设置;反之,如果D = 0,则S = 0, R = 1,则锁存器被重置。这叫做a封闭的D锁.
我们可以把这个门闩做成门控门闩,叫做d门闩。喜欢封闭的SR闭锁门控D触发器也有ENABLE输入。与门控S-R锁存器的区别在于它只有两个输入D和ENABLE。上述闩锁的设置和复位条件仅在使能或EN输入高时在闩锁中可见。
这意味着当D = 1和EN = 1时门控闩锁D触发器是ENABLE和SET,当D = 0和EN = 1时闩锁是ENABLE和RESET,但当EN = 0时闩锁是DISABLE,没有SET REST的问题。这意味着在EN = 0时,输入D的任何变化都不会影响输出(无变化条件)。
再次设置意味着输出Q = 1和重置意味着Q = 0所以Q = D或输出跟踪输入EN很高,这是它的原因是,一个低维输入使问低,即重置触发器和高D输入使问高,即设置触发器。
换句话说,当EN为高时,输出Q跟随输入D。这个门闩据说是透明的。
D触发器触发器真值表
逻辑图,逻辑符号和真值表门禁d门闩的形状如下图所示。
你可以通过查看我们的完整列表了解更多关于D触发器和其他逻辑门逻辑门的问题.




