一个GydF4y2Ba感应电动机GydF4y2Ba是一种众所周知的根据变压器原理工作的装置。所以也叫旋转变压器。也就是说,当一个电动势提供给它的定子,那么作为电磁感应的结果,aGydF4y2Ba电压GydF4y2Ba在其转子中诱导。所以据说一个感应电机是一个GydF4y2Ba变压器GydF4y2Ba旋转次级。这里,变压器的主机类似于感应电动机的定子绕组和次级的转子。GydF4y2Ba
异步电机总是在同步或满载转速下运行,同步转速与转速之间的相对差称为转差,用s表示。GydF4y2Ba
在哪里,nGydF4y2BaS.GydF4y2Ba是由 - 的同步旋转速度GydF4y2Ba
其中,F是电源电压的频率。GydF4y2Ba
P是机器的极点数。GydF4y2Ba
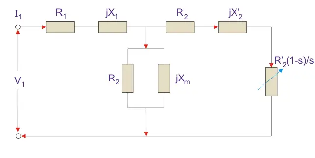
感应电动机的等效电路GydF4y2Ba
任何机器的等效电路都显示了机器的各种参数,例如其欧姆损耗以及其他损耗。GydF4y2Ba
损失的模型是GydF4y2Ba电感器GydF4y2Ba和GydF4y2Ba电阻器GydF4y2Ba.铜损耗发生在绕组中,所以绕组GydF4y2Ba抵抗性GydF4y2Ba被考虑在内。此外,绕组有GydF4y2Ba电感GydF4y2Ba有一个GydF4y2Ba电压下降GydF4y2Ba由于GydF4y2Ba感抗GydF4y2Ba还有一个术语叫GydF4y2Ba功率因数GydF4y2Ba这是很重要的。对于三相感应电动机,有两种等效电路GydF4y2Ba
精确的等效电路GydF4y2Ba
在这里,R.GydF4y2Ba1GydF4y2Ba为定子的绕组电阻。GydF4y2Ba
XGydF4y2Ba1GydF4y2Ba是定子绕组的电感。GydF4y2Ba
R.GydF4y2BaCGydF4y2Ba是核心损失组件。GydF4y2Ba
XGydF4y2BamGydF4y2Ba是绕组的磁化电抗。GydF4y2Ba
R.GydF4y2Ba2GydF4y2Ba/ s是转子的功率,其包括输出机械功率和转子的铜损失。GydF4y2Ba
如果我们画出参照定子的电路,那么电路就会像-GydF4y2Ba
这里所有其他参数都相同 -GydF4y2Ba
R.GydF4y2Ba2GydF4y2Ba'是转子绕组阻力与定子绕组。GydF4y2Ba
XGydF4y2Ba2GydF4y2Ba'是转子绕组电感,具有参考定子绕组。GydF4y2Ba
R.GydF4y2Ba2GydF4y2Ba(1 - s)/ s是表示转换为机械功率输出或有用电力的功率的电阻。在该电阻器中消耗的功率是有用的功率输出或轴功率。GydF4y2Ba
近似等效电路GydF4y2Ba
绘制近似等效电路只是为了通过删除一个节点来简化我们的计算。分流分支移向初级侧。这已经完成,因为定子电阻和电感之间的电压降较小,并且电源电压和感应电压之间没有太大差异。但是,由于以下原因,这是不合适的GydF4y2Ba
- 这GydF4y2Ba磁路GydF4y2Ba感应电动机的气隙是如此的令人兴奋GydF4y2Ba当前的GydF4y2Ba与变压器相比较大,因此应使用精确的等效电路。GydF4y2Ba
- 在感应电动机中转子和定子电感较大。GydF4y2Ba
- 在感应电动机中,我们采用分布式绕组。GydF4y2Ba
该模型可用于大型电机的近似分析。对于较小的发动机,我们不能使用这个。GydF4y2Ba
等效电路的电源关系GydF4y2Ba
- 输入电源到定子-3 V.GydF4y2Ba1GydF4y2Ba一世GydF4y2Ba1GydF4y2Ba因为(Ɵ)。GydF4y2Ba
在哪里,五GydF4y2Ba1GydF4y2Ba是施加的定子电压。GydF4y2Ba
一世GydF4y2Ba1GydF4y2Ba电流由定子绕组绘制。GydF4y2Ba
COS(ɵ)是定子动力定子。GydF4y2Ba - 转子输入=GydF4y2Ba
电源输入定子铜和铁损。GydF4y2Ba - 转子铜损=滑动×转子的电源输入。GydF4y2Ba
- 开发功率= (1 - s) ×转子输入功率。GydF4y2Ba
单相感应电动机的等效电路GydF4y2Ba
单相和三相等效电路之间存在差异。这GydF4y2Ba单相电动机GydF4y2Ba电路由双旋转场理论给出,这些理论是哪个 -GydF4y2Ba
静止脉动GydF4y2Ba磁场GydF4y2Ba可以分解成两个旋转场,它们的大小相等,但方向相反。所以静止时产生的净扭矩是零。这里将正向旋转称为带滑移s的旋转,将反向旋转称为带滑移(2 - s)的旋转,等效电路为-GydF4y2Ba
在大多数情况下,核心损耗分量RGydF4y2Ba0.GydF4y2Ba被忽略,因为这个值相当大,并且在计算中不会影响太多。GydF4y2Ba
在这里,z.GydF4y2BaFGydF4y2Ba显示前向阻抗和zGydF4y2BaB.GydF4y2Ba显示反向阻抗。GydF4y2Ba
同时,前向滑移和后向滑移之和为2,因此如果是后向滑移,则用(2 - s)代替。GydF4y2Ba
R.GydF4y2Ba1GydF4y2Ba=定子绕组的电阻。GydF4y2Ba
XGydF4y2Ba1GydF4y2Ba=定子绕组的感应电抗。GydF4y2Ba
XGydF4y2BamGydF4y2Ba=磁性电抗。GydF4y2Ba
R.GydF4y2Ba2GydF4y2Ba'=转子电抗与定子的转子电抗。GydF4y2Ba
XGydF4y2Ba2GydF4y2Ba’=转子感应电抗,参照定子。GydF4y2Ba
等效电路功率的计算GydF4y2Ba
- 找到Z.GydF4y2BaFGydF4y2Ba和ZGydF4y2BaB.GydF4y2Ba.GydF4y2Ba
- 找到由定子电压/总电路阻抗给出的定子电流。GydF4y2Ba
- 然后找到所提供的输入功率GydF4y2Ba
定子电压×定子电流×COS(ɵ)GydF4y2Ba
其中,ɵ是定子电流和电压之间的角度。GydF4y2Ba - 发电(pGydF4y2BaGGydF4y2Ba)是前瞻性电源和向后功率之间的差异。通过在各个电阻器中消散的功率给出前向和后向电源。GydF4y2Ba
- 转子铜损耗计算公式为-滑差× PGydF4y2BaGGydF4y2Ba.GydF4y2Ba
- 输出功率由-表示GydF4y2Ba
P.GydF4y2BaGGydF4y2Ba- s×pGydF4y2BaGGydF4y2Ba- 转动损失。GydF4y2Ba
旋转损耗包括摩擦损失,风盘损失,核心损失。GydF4y2Ba - 还可以通过输入功率潜水输出功率来计算效率。GydF4y2Ba







