期间讨论各种题目数字电子学各种逻辑门 设计方法现在,我们将讨论术语范式排出与逻辑门相关 意指范出逻辑门.现在,当单逻辑门输出与其他逻辑门各种输入相联时,这是一个非常常见的现象。
最大输入量受限 单逻辑门输出,它不可能是数字数依赖当前输出高逻辑门和当前沉没能力由低输出确定时输出输出能力并取决于输入需求 连接逻辑门输出
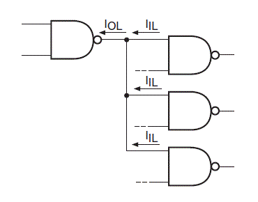
上图举例进一步说明点
假设当前源码能力NDND门#I#OH输出高逻辑输入逻辑门 从输出逻辑输入IH.图表中也可以看到这一点最大输入数I逻辑门输出能驱动OH/IIH.高状态输出时将应用此功能考虑时输出状态LOWOL语言.接二连三输入各种逻辑门IL.下图显示
最大输入驱动量 由逻辑门输出驱动OL语言/IIL.最大数逻辑门输入 从单逻辑门输出输入OH/IIH时逻辑高和OL语言/IIL时逻辑低状态
逻辑门输入数指单逻辑门输出范出逻辑门唯一条件就是不能有虚输出极重要逻辑门特征数字电子学帮助设计多路门
在许多情况下IOH/IIHandI值OL语言/IIL则小二取范出逻辑门 所有计算都基于此值
上图显示电路实际电路图 单列输出NDND门属于标准TTL晶体管逻辑逻辑家庭为各种南德门输入信息,这些门属于同逻辑家庭
第一个图指逻辑高时状态,第二个图指逻辑低状态面向标准TTL家庭设备最大高输出源码电流和最大高状态输入当前400ma和40ma低状态相同值分别为16mA和1.6A我们在其他文章中讨论了TTLs






