干草的桥接应用
在我们介绍之前海氏桥让我们回顾一下的局限性麦克斯韦桥,以了解什么是必要的干草的桥接应用.
麦克斯韦桥仅适用于测量中等品质因素(即Q因子)线圈,但不适合测量高品质因子(Q > 10)。
为了克服这种限制,我们需要对麦克斯韦桥进行修改,以便它将适合在宽范围内测量Q系数。这种改进的麦克斯韦桥称为干草桥。
干草的桥梁理论
正如我早些时候所说的那样海氏桥是一个改进的麦克斯韦桥,现在在这里出现了这个问题,我们需要做修改的地方。
为了理解这一点,让我们考虑下面的连接图:
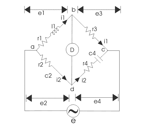
在这座桥上电阻与标准串联连接电容器.在这里l1不明电感器与电阻r串联1.C4.标准电容和r2,R.3.,R.4.是纯电阻形成桥的其他臂。
从交流桥理论,我们可以在平衡点写,
用z的值代替1,z.2,z.3,和z4.在等式(1)中我们得到,
现在,线圈的Q因子由
等式(4)和(5)依赖于源频率,以便找到L的准确值1和r1我们应该知道源频率的正确值。
让我们重写L的表达式1那
现在,如果我们替换Q> 10那么1 / Q2= 1/100,因此我们可以忽略这个值,从而忽略1 / q2我们得到了R.2R.3.C4.这与我们获得的相同麦克斯韦桥因此干草的桥接电路最适合高电感测量。
让我们了解更多信息干草的桥接电路干草桥的图表将非常有用干草的桥式相位图.仪表连接在桥的点B和D之间。ARM AB包括抵抗性R.1和电感l1(这是ex的总数是1)和ARM广告由纯电阻r组成2(这是ex的总数是2)。
ARM BC由纯粹的阻力组成了一滴的e3.虽然ARM CD包括电阻器R.4.和一个电容器,使e的总滴4..现在让我们画一个干草桥的Phasor图,在空点e1必须等于e2,而且E也是3.必须等于e4.作为当前的流过BD为零。
让我们带我1作为参考轴,因此电流i2通过I.引导1一定角度(如图所示)干草的桥式相位图因为一个电容器连接在支路CD使电流I2通过I.1.
让我们标记e1和E.2和e的结果1和E.2当然等于e。相位差电压下降在这边电阻R.4.和>电容器c4.是90O.在干草桥的相位图中清楚地示出了(以度为单位)。
在许多实际应用中,桥式电路采用交流电源,电子射线指示,通过开关管的阴影区来确定平衡状态。虽然使用了平衡式耳机,但这种方法降低了准确性。为了控制电桥的运行功率,完成检测电路,采用了各种开关。
多次将两个切换功能合并为单个键,已知的桥接键这是为了确保在探测器电路之前施加到桥梁的电源,由于此顺序电感器的效果电容减少了。
Hay’s Bridge的优势
电桥给出了计算高值未知电感的非常简单的表达式。海氏桥需要一个较低的r值4.虽然这一点麦克斯韦桥需要高价值的r4..现在让我们分析为什么应该把r的低值4.在这座桥梁:
考虑质量因素的表达,
作为R.4.在分母中呈现在高质量因素,R4.必须小。
干草桥的缺点
海氏桥不适合测量质量因子(Q <10)对于Q <10,我们应该使用Maxwell桥。










