在讨论之前,感应电机驱动器理解和了解很重要感应电机。在非常简单的单词中,感应电机可以描述为三相自动启动恒定速度AC电动机。描述作为恒定速度的感应电动机的原因是因为通常这些电动机根据供电的频率和绕组的数量具有恒定速度。
在过去,不可能根据需要控制感应电机的速度。这就是为什么他们的使用有限,尽管有许多其他优势直流电机由于这个缺点,他们无法使用。但在司机领域由于可用性而改善晶闸管或SCR,电源晶体管,IGBTS.,和gtos变速感应电机驱动器已经发明了。
虽然这些驱动程序的成本超过了DC驱动器,但仍然使用感应电机正在增加,并且由于其优点,它们正在更换直流电动机。讨论这个话题,我们将通过开始,制动感应电动机的速度控制。
启动感应电机
我们知道感应电机是自动启动的i.E当供应给电机时,它开始旋转而没有任何外部帮助。当AN.感应电动机开始因为没有抵抗性最初(即,在开始期间),有巨大的趋势当前的流过转子电路,转子电路可以永久地损坏电路。为了克服这个问题,已经引入了各种方法来限制起动电流。一些方法是
- 星三角洲开始
- 自动变压器启动器
- 反应堆启动器
- 可饱和反应器启动器
- 部分绕组启动器
- 交流电压控制器启动器
- 转子电阻启动器用于卷绕转子电机的启动。
这感应电机驱动器通常设计用于在Delta连接上运行,但在开始期间,从星形连接提供电源,因为然后启动电压和当前的比Delta连接减少1 /√3次。当电机达到稳态速度时,连接从Star到Delta连接的连接发生变化。
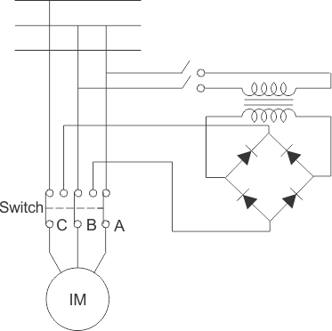
另一种类型的感应电动机开始方法是自动变压器开始。由于我们知道扭矩与平方成比例电压。通过自动变压器启动电压和当前的减少以克服由于非常高的电流而过热的问题。在开始比率期间变压器以启动电流不超过安全限制设置。一旦感应电动机开始运行并达到稳定状态值,自动变压器与电源断开连接。电路图在这里给出
使用可饱和电抗器驱动器的另一种启动方法是软启动。在该方法中,将高电抗引入电路,使得起动扭矩关闭至零。现在,在开始和起始时,电抗在顺利降低当前的增加,扭矩也既稳定地变化。在这种方法中,电机在没有任何混乱的情况下启动,加速度是平滑的,这就是为什么它被称为软启动。
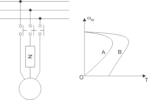
软启动的不平衡启动方案是仅在其中一个供电阶段引入阻抗的另一种类型的起始方法。在开始期间,阻抗保持非常高,使得电动机作为单相电动机操作,当时的速度扭矩特性类似于图中的曲线A。当速度达到稳态值时,将阻抗完全除去,此时曲线类似于B,这是Matine的自然特性。此启动方法也没有任何混蛋,操作非常平滑。
部分绕组启动方法是特殊的松鼠笼式感应电机。在该方法中,两个或更多个起动绕组并联连接。当电动机开始时,任何一个绕组都连接到结果,提高起动封闭性并降低了启动电流。当通过电动机获取稳定速度时,两个绕组都连接。
专门用于伤口转子电动机,使用转子电阻启动器。在这种方法中,外部电阻器用于转子电路以限制起动电流。最大值抵抗性被选中以限制当前的在安全值内以零速度。随着速度的增加,截面电阻是温度升高低于其他开始高速加速的方法,频繁开始并停止以重负荷开始,可以通过这种类型的起动方法进行。
感应电机的制动
当它通过控制电机时电动司机制动是一个非常重要的术语,因为它有助于根据旨在和必要性来降低电动机的速度。感应电机的制动可以分为三种类型
- 再生制动。
- 堵塞或反向电压制动
- 动态制动可以进一步归类为
- 交流动力学制动
- 使用电容器自兴的制动
- 直流动态制动
- 零序制动
为了解释感应电动机的再生制动,我们可以采取方程的帮助
这里,θS.是定子电压和定子电流之间的相位角,每当该相角超过90时的简单词O.(即θ.S.> 90O.)可以进行再生制动。为了更清楚,更容易地解释我们可以说,只要转子的速度超过同步速度,就会发生再生制动。也就是说,只要转子以多于同步速度的速度旋转,就会发生反向场,其与电动机的正常旋转相反,因此发生制动。这种类型制动的主要缺点是电动机的速度必须超过每次可能不可能的同步速度。为了以比同步速度更低的速度获得再生制动,可以使用可变频率源。
通过互换任何两个供应端子来完成感应电动机的堵塞。当终端颠倒终端时,机器的操作从电动机变为堵塞。从技术角度来看,更好地理解,可以说,从's'到(2-s)的滑移变化,表示由于端子的反转,扭矩也改变其方向和制动。
感应电动机的动态制动的第一分类是交流动态制动,任何一个供应阶段都与电源断开,然后保持打开或与另一个相连。第一类型称为两个引线连接,第二个类型称为三个引线连接。为了清楚地了解这种制动方法,我们可以认为系统是单相系统。现在可以认为电动机通过正序列电压馈送。这就是为什么当转子电阻高,净扭矩是负的并且可以获得制动。
有时电容器通过连接电机的电源端子保持永久。这被称为自兴奋的制动电容器感应电动机。这种类型的制动主要由电容器的性质储存能量。每当电动机与电源断开电机开始用作自兴的感应发电机时,电源来自终端连接的电容。所选择的电容器的值如此选择它们足以使电动机在与电源断开后作为感应发生器的工作。当电机工作时诱导发电机产生的扭矩与电动机的正常旋转相反,因此发生制动。
另一种类型的动态制动是直流动态制动。在这种方法中,运行的感应电动机驱动器的定子连接到直流电源。将DC电源连接到定子的后果如下,直流电流产生静止磁场,在转子中保持旋转,因此存在诱导的电压在转子绕组中,因此机器用作发生电动机的运动和获取制动的发电机
感应电动机的速度控制
我们已经讨论了感应电机的起始和制动,但在运行时间期间控制速度呢。感应电动机的速度控制可以用六种方法完成
- 杆变化
- 定子电压控制
- 供应频率控制
- 涡流耦合
- 转子电阻控制
- 滑动电力恢复
我们知道感应电机的速度与极数成反比。因此,如果磁极的数量分别降低或增加,则可以增加或降低感应电动机的速度。提供改变杆数量的电动机存在,它们称为“极变化电机”或“多速电机”。
控制感应电动机驱动速度的另一种方法是定子电压控制。定子电压直接负责转子的旋转速度。扭矩与电压平方成比例当前的与...成比例电压。因此,如果定子电压降低,则速度减小并且类似地,如果定子电压增加速度也会增加。
速度感应电动机与供应频率和气隙通量的产品成比例。但是因为有机会磁饱和度在降低供应频率的同时,这就是为什么不仅控制频率但V / F(即电源电压和频率的比率)而且该比率被尝试保持恒定。并且如果需要改变速度,则V / F的比率相应地改变。
这涡流通过将感应电动机在固定速度运行的涡流离合器和可变速度负载之间进行涡流离合器来完成速度控制方法。现在这个涡流离合器是什么?它只不过是一种感应电动机驱动器,其中允许两个定子和转子旋转。转子与主耦合感应电动机。当在转子鼓中产生涡流时,产生与定子场的相互作用和扭矩,其旋转主电动机。通过控制通过定子绕组的DC电流绕组可以控制电动机的速度。
根据转子电阻,转子的速度下降或增加。在下面的图中示出了相对于转子电阻变化的速度扭矩特性的变化。由于成本低,这种速度控制方法优于许多其他方法。


















