母线导纳矩阵(Y公共汽车)
年代1,年代2,年代3.是否分别向总线1、2、3注入净功率
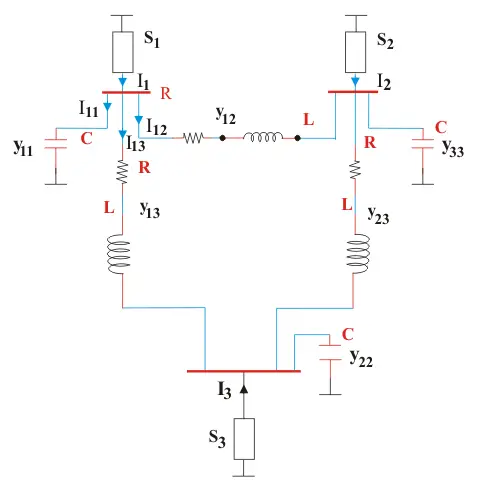
y12y23y13线路导纳在线路1-2、2-3、1-3之间吗
y01 sh/ 2, y02上海/ 2, y03 sh/2为半线充电导纳在1-2、1-3和2-3行之间
连接到同一母线的半线充电导纳具有相同的电势,因此可以合并为一个
如果我们申请氯化钾在1路公共汽车上,我们有
在那里,V1, V2, V3.是电压总线1,2,3分别的值
在那里,
类似地,通过在2和3总线上应用KCL,我们可以推导出I的值2和我3.
最后,我们有
对于n公交系统
关于Y的一些观察公共汽车矩阵:
- Y公共汽车是一个稀疏矩阵
- 对角线元素占主导地位
- 非对角元素是对称的
- 每个节点的对角线元素是另外连接到它
- 反对角元素为负导纳
潮流方程的发展
总线i处的净复合功率注入为:
以共轭
代入I的值我在方程(2)
将式(4)代入,得到极坐标形式的静态负荷流动方程
将上述值代入,则式(4)为
在方程(5)中关于这些项相乘的角度相加。让我们表示为了方便
因此式(5)变成
将方程(6)展开为正弦和余弦项
将实部和虚部相等
式(7)、(8)为极坐标形式的静态潮流负荷方程。上述方程为非线性代数方程,可采用迭代数值算法求解。
同样获得载流将方程(4)代入矩形
将上述值代入方程(4),将实部和虚部相等,得到
式(9)、(10)为矩形的静力潮流方程。






