内容
什么是和大门?
A和栅极是具有两个或更多个输入和单个输出的逻辑门。A和Gate在逻辑乘法规则上运行。在该门中,如果输入为低(0),则输出也很低。如果所有输入都高(1),则输出也会很高。AND门可以具有任何数量的输入,尽管2输入和3个输入和栅极是最常见的。
有许多集成电路这对这个逻辑的工作,我们稍后会重新审视。让我们首先更好地了解如何对其输入的输出行为的输出。
有两个二进制数字 - 0和1.我们刚刚告诉A和Gate执行一个二进制乘法二进制数字。在乘以0时,0我们将获得0,1,带0或0,1我们将获得0.只有1乘以1乘以1。
换句话说,A和栅极是仅在所有输入高并且在所有其他输入条件下产生低输出时产生高输出的数字设备。高数字信号在逻辑上意味着1和低数字信号逻辑地意味着0。
A和栅极可以具有任何数量的输入探针,而是只有一个输出探针。
2输入和门
双输入和门的符号逻辑地表示为:
其中A和B表示门和X的输入表示输出。A,B和X可以逻辑上为0(低)或1(高)。
因此,可以表示为:
A和B的所有乘法组合都可以以表格形式表示真理表。真值表列出了特定数字逻辑电路的输出,以了解其输入的所有可能组合。这真理表2输入和门可以代表:
3输入和门
如果代替两个输入有三个输入,则会改变AND门的逻辑符号和真理表。
3输入和门的逻辑符号表示为:
3输入和门的真相表是:
在数字电子产品,其他逻辑门包括不是盖茨那或门那NAND盖茨那也不是盖茨那XOR门那Xnor盖茨。
和门电路图
和门二极管电路图
当二极管用于设计和门时,它被称为二极管和门。二极管和门的基本电路如下所示
在上述二极管电路中,我们首先在C处施加+ 5V。现在,如果我们在A和B处施加+ 5V,则两个二极管都反向偏置,因此表现得两者二极管关闭或开路。
在这种情况下,由于两者都关闭,没有当前的将流过电阻器r和电压C(+ 5V)也将出现在X上。当电源电压+ 5V出现在x时,电路的输出被认为是高或逻辑1。
现在,如果施加0伏或接地或接地,则各个二极管将变为偏置,因此表现为“ON”或短路。在这种情况下,点C处的电源电压+ 5V将通过二极管或两者都能获得一条直接电位。
当电流通过电阻R从C流到地,整个5V将掉落电阻器,因此X的电压将变低或逻辑上为零。
转发偏置条件中的二极管不会表现为理想的短路;一些电压下降将在前向偏置二极管跨越正向偏置电压。
在低输出条件下,该电压降在x时出现,因此实际上低输出不会为0V,它相当0.6至0.7V,理想地被认为是零。
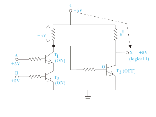
和栅极晶体管电路图
AN和逻辑门也可以从晶体管和栅极实现。用于AND和GATE的晶体管电路图如下所示:
当A或B或B和B接地或在0V电位晶体管T时,在上述电路中1或t.2或两者兼而有之1和T2分别处于偏离状态。
这是因为终端A和B是晶体管T的基站1和T2分别。零基电压使晶体管关闭。作为通过t的道路1和T2是晶体管T的开放式基础3.足够的潜力3.在。
这当前的然后开始通过t流到地面的电源3.。结果,整个电源电压将落在r上1,终端X的潜力将变低或逻辑零。
如果有任何晶体管t1和T2截止条件,相同的结果将在输出x上出来,因为晶体管都串联。
现在,如果A和B在高逻辑值中,我们将检查X的逻辑值。如果我们在A和B中施加+ 5V,则在晶体管T的基础上1和T2分别。
这使得晶体管T1和T2处于条件下。输入供应电压将丢失r和晶体管t的基本电位3.将是零和t3.变得禁止条件。结果,电源电压+ 5V出现在x,x将变为1或高。
和门IC 7408
对于和门IC号码TTL.是7408. 7408是四个输入IC,其中四个门在一起。让我们看看7408的内部图。
这里引脚1,2是第一门的输入,其各自输出为3.再次4和5是输出处于引脚6的第二门的输入。第四的输入是引脚12和13,引脚11是引脚它的产出。
引脚14是电源输入,最大值为5.2伏。如果输入电压不仅仅是这可能会对IC造成损坏。
和门IC 4081
在CMOS逻辑中i.E免费Mosfet.逻辑I.C号和门是4081.该IC还具有两个输入和一个相应的输出。在这个IC中,还有4个盖茨在一起。现在看到这个电路的下面的内部图以使其更加清晰。
引脚1和2是第一门的输入,其输出在第3号中。销5和6再是其输出处于引脚的第二栅极的输入.Pi编号7接地。引脚8和9是第三栅极的输入,其输出处于引脚10。
再次引脚13和12是第四的输入和门其输出处于引脚11.引脚13和12是第四和门的输入,其输出处于引脚编号11.引脚编号14是最大5.2伏的电源。直流可以提供供应来激活IC。
如果给出了更多电压,如果可能损坏IC,则在此。CMOS和TTL的间电路彼此不同,必须仔细注意到。





















