在测量期间考虑以下两个因素电抗分流反应器。
- 作为分流反应器中阻抗的电阻分量可以忽略不计,分流反应器的电抗近似等于其阻抗。
- 分流反应器的V-I特性在施加的工作范围内几乎是线性的电压。这是因为,在分流反应器中使用盖芯以防止磁饱和度正常运行范围内的核心。
欧姆欧姆阻抗的简单公式是
其中,V是伏特的电压,我是当前的在安培。
但在分流反应器的情况下,阻抗Z =电抗X.
因此,这里
其中,V在反应器的绕组上施加电压,并且I通过它是相应的电流。
随着反应器的V-I特性是线性的,反应器绕组的电抗仍然固定为任何施加的电压低于最大额定值。
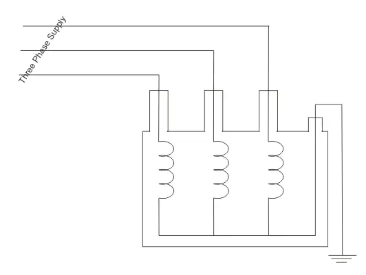
在三相分流反应器的电抗测量的情况下,我们使用功率频率(50Hz)的正弦三相电源作为测试电压。如图所示,我们将三个供应阶段连接到反应堆绕组的三个端子。在此之前,我们应该确保绕组的中性端子正确接地。
打开供应后,我们测量当前的在仪表上的帮助下,通过适当敏感的夹子流动绕组的每个阶段。经常测量后,我们必须计算每相的平均电流。平均是作为三相电流的代数总和除以3.三相分流反应器的测量电抗作为
对于零序序通量的磁铁路径的三相反应器,可以如下测量零序列电抗,
在这种情况下,电抗器的三个端子短路,并且在绕组的公共相端子和中性端子之间施加单相电源。通过公共路径测量电流后,我们必须通过它分开施加的单相电压。然后,我们将3乘以每相获得零序电抗。









