在本文中,我们将讨论各种启动3相感应电动机的方法.在我们讨论这一点之前,这里召回这是非常重要的扭矩滑移特性的三相感应电动机这是下面给出的。
从扭矩平滑特性来看,显然,在滑动等于一个我们有一些正的起始扭矩,因此我们可以说三相感应电动机是自动起动机器,为什么需要三相诱导的初学者发动机?答案很简单。
如果我们看三相感应电动机在启动时的等效电路,我们可以看到电动机的行为像一个电气变压器短路次级绕组,因为在开始时,转子是静止的,并且由于旋转而导致的后部EMF未开发,因此电机绘制高启动当前的.所以使用起子的原因很清楚。我们使用起动器是为了限制高起动电流。我们为这两种类型的三相感应电动机使用不同的起动器。让我们首先考虑松鼠笼感应电动机的类型.为了选择一个启动方法鼠笼式电动机,我们有三个主要考虑因素:
(一种)根据输电线的功率容量选择一种特殊类型的起动器。
(b)起动器的类型是根据电动机的尺寸和设计参数来选择的。
(C)第三代考虑是电动机上的负载类型(即负载可能是重的或光线)。
我们将鼠笼式感应电机的启动方法分为两种类型的电压。这两种类型是:
(我)满的电压从方法和
(ii)一种启动鼠笼式感应电动机的降电压方法。
现在让我们详细讨论每个方法。
松鼠笼感应电动机的全电压起动方法
在这种类型中,我们只有一种启动方法。
直接在线启动方法
这种方法也称为用于启动三相松鼠笼式电动机的DOL方法.在这种方法中,我们直接将三相鼠笼式感应电动机的定子接通电源。电机在启动时,在很短的持续时间内引出很高的启动电流(约为满载电流的5 - 7倍)。电动机所产生的电流大小取决于它的设计和尺寸。但如此高的电流值并不伤害电机,因为坚固的结构鼠笼感应电机。
如此高的电流值会引起突然的不良反应电压下降在电源电压。这种突然电压突然下降的Live示例是在冰箱马达开始时,我们家中的管灯和灯泡的调光。现在让我们在直接在线起动器的完全负载扭矩方面导出启动扭矩的表达。我们有各种数量,涉及开始扭矩的表达式,如下所示:我们定义了tS.的起动转矩
T.F作为满载扭矩
一世F每相转子电流在满载时
一世S.根据开始时的相位转子电流
S.F随着满载滑移
S.S.当开始滑
R.2作为转子抵抗
W.S.作为电机的同步速度
现在我们可以直接写表达式感应电机转矩作为
根据上面的帮助,我们将启动扭矩的比率写入满载扭矩
在这里,我们假设转子电阻是恒定的,并且它不会随着转子电流的频率而变化。
一种启动鼠笼式感应电动机的降电压方法
在降低的电压法中,我们有三种不同类型的起始方法,这些开始写入:
- 定子电阻起动法
- 自动变压器凝视方法
- 星形三角起动法
现在让我们详细讨论每个方法。
定子电阻起动方法
下面给出的是开始的数字电阻器方法:
在这种方法中,如图所示(在电机端子和电源之间),在每一相增加一个电阻器或电抗器。因此,通过增加电阻器可以控制电源电压。在启动时,只施加一小部分电源电压(x)感应电动机.x的值总是小于1。由于电压下降,启动转矩也减小。我们将推导出的表达式起动转矩的分数x为了显示电压的变化起动转矩与x的值。随着汽车加速反应器或电阻是减少从电路最后电阻短路的,当电机达到其操作速度。现在让我们推导定子电阻起动法的满载转矩的起动转矩表达式。我们有不同的量,涉及到的表达式的启动扭矩是这样写的:我们定义TS.的起动转矩
T.F作为满载扭矩
一世F每相转子电流在满载时
一世S.根据开始时的相位转子电流
S.F随着满载滑移
S.S.当开始滑
R.2作为转子抵抗
W.S.作为电机的同步速度
现在我们可以直接写表达式感应电机的转矩作为
根据上面的帮助,我们将启动扭矩的比率写入满载扭矩
在这里,我们假设转子电阻是恒定的,并且它不会随着转子电流的频率而变化。从上述等式中,我们可以在满载扭矩方面具有启动扭矩的表达。现在在开始时,每个相电压降低到XV1,每相启动电流也减少到xiS..取代i的价值S.随着习S.在方程1。我们有
这显示了启动转矩随x值的变化。现在对于这种方法有一些需要考虑的问题。如果增加串联电阻,能量损失就会增加,所以最好使用串联电抗器代替电阻,因为串联电抗器在降低电压方面更有效,但是串联电抗器比串联电阻的成本更高。
自动变压器启动方法
顾名思义,我们在这个方法中进行连接自动变压器三相电源与三相电源之间感应电动机如给定图所示:
自动变压器是一步变压器,因此它降低了v的每个相电源电压1到XV.1。减少电压降低了i的电流S.到xi.S..电机达到正常运行速度后,自动变压器断开,然后施加全线电压。现在让我们在用于自动变压器启动方法的全负载扭矩方面导出启动扭矩的表达式。我们有各种数量,涉及起始扭矩的表达式如下所写的:
我们定义T.S.的起动转矩
T.F作为满载扭矩
一世F每相转子电流在满载时
一世S.根据开始时的相位转子电流
S.F随着满载滑移
S.S.当开始滑
R.2作为转子抵抗
W.S.作为电机的同步速度
现在我们可以直接写入感应电机的扭矩的表达式
根据上面的帮助,我们将启动扭矩的比率写入满载扭矩
在这里,我们假设转子电阻是恒定的,并且它不会随着转子电流的频率而变化。从上述等式中,我们可以在满载扭矩方面具有启动扭矩的表达。现在在开始时,每个相电压降低到XV1,每相启动电流也减少到xiS..取代i的价值S.随着习S.在方程1。我们有
这示出了具有X值的起始扭矩的变化。
星三角开始方法
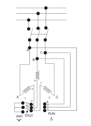
连接图如下所示,用于星光Δ方法,
该方法用于设计用于在Delta连接绕组中运行的电机。终端标记为上面示出了定子的相位。现在让我们看看这个方法有效。定子相通过三极双投掷开关(TPDT开关)在图中连接到星形,在该位置被标记为1,然后在达到稳态速度达到稳态速度之后,将开关抛出到位置2,如图所示在上图中。
现在让分析上述电路的工作。在第一位置,电动机的端子短路循环,并且在第二位置,终端A,B和C分别连接到B,C和A.现在让我们从满满的方面导出启动扭矩的表达式为星形三角洲启动方法负载扭矩。我们有各种数量,涉及起始扭矩的表达式如下所示
T.F作为满载扭矩
T.S.的起动转矩
一世F每相转子电流在满载时
一世S.根据开始时的相位转子电流
S.F随着满载滑移
S.S.当开始滑
R.2作为转子抵抗
W.S.作为电机的同步速度
现在我们可以直接写入感应电机的扭矩的表达式
根据上面的帮助,我们将启动扭矩的比率写入满载扭矩
在这里,我们假设转子电阻是恒定的,并且它不会随着转子电流的频率而变化。让我们假设线路电压为vL.然后在星际位置连接时,每相启动电流是iSS.由
当定子在达达连接位置时,我们有启动电流
从上面的等式中我们有
这说明了降电压法的优点是降低起动电流,但缺点是这些降电压方法都会导致起动转矩的不利降低。
伤口转子电机的起始方法
我们可以采用我们已经讨论过的所有方法,以便开始鼠笼式感应电机,以便启动伤口转子电机。我们将在此讨论首次启动伤口转子电机的最便宜方法。
在转子电路中添加外部电阻
这将降低启动电流,增加起始扭矩并改善功率因数.电路图如下所示:在电路图中,所示的三个滑环连接到缠绕转子电动机的转子端子。在电机开始时,整个外部电阻添加在转子电路中。然后,随着转子升温的步骤,外部转子电阻减小,但是在电动机的加速度期间电动机扭矩保持最大值。在正常情况下,当电动机发育负载扭矩时,移除外部电阻。
完成本文后,我们能够比较带同步电机的感应电机。在下面写入感应电机和同步电动机之间的指数比较,
(一种)感应电动机总是以滞后的功率因数运行同步电动机可同时在滞后和超前功率因数下工作。
(b)在感应电动机中,最大扭矩的值与电源电压的平方成正比,同时在同步机器的情况下,最大扭矩与电源电压成正比。
(C)在一个感应电动机中,我们可以轻松控制速度,同时使用同步电机,在正常情况下,我们无法控制电机的速度。
(d)感应电机具有固有的自启动扭矩,而同步电机没有固有的自动启动扭矩。
(e)我们不能使用感应电机来提高供电系统的功率因数,同时使用同步电动机,我们可以提高供电系统的功率因数。
(F)这是一个单独兴奋的机器意味着在同步电动机是双重激发电动机的同时,没有要求DC激励,这是有需要单独的直流激励。
(G)当感应电机的负载增加时,电机的转速减小,而同步电机的转速保持不变。





















