顾名思义,这个定理的主要概念是基于用一个等价元素替换另一个等价元素。替代定理让我们对电路行为有了一些特殊的认识。这个定理也被用来证明其他几个定理。
代换定理陈述
替代定理表示如果网络中的某个元素被电压源谁的电压在任何时刻等于前一个网络中元件的电压,那么网络其余部分的初始条件将不变,或者如果网络中的某个元件被a所取代电流源谁的当前的在任何时刻都等于通过前一个网络中的元素的电流,那么网络其余部分的初始条件将不变。
代换定理的解释
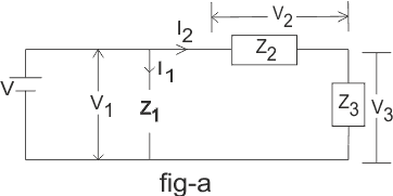
让我们取一个如图a所示的电路,
设V为供电电压,Z为供电电压1, Z2和Z3.是不同的电路阻抗。V1, V2和V3.Z轴上的电压是多少1, Z2和Z3.其中I为输入电流,I为输入电流1部分通过Z轴1阻抗而我2部分通过Z轴2和Z3.阻抗。
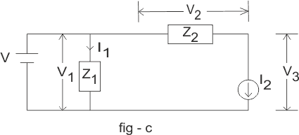
现在如果我们替换Z3.阻抗与V3.电压源如fig-b或与I所示2电流源如fig-c所示,那么根据替代定理所有的初始条件通过其他阻抗和源保持不变。
即。当前的源头将是我,电压在Z1阻抗为V1,电流通过Z2将我2等。
替换定理的例子
为了更有效和清晰的理解,让我们通过一个简单的实际例子:
我们取图d所示的电路。
按电压划分规则3Ω和2Ω的电压电阻是
如果我们用a代替3Ω电阻电压源如图e所示,则
根据欧姆定律通过2Ω电阻的电压和通过电路的电流为
另外,如果我们用如图f所示的电流源2A来替换3Ω电阻,那么
电压横贯2Ω是V2Ω= 10 - 3× 2 = 4 V和电压通过2A电流源是V2= 10 - 4 = 6
我们可以看到2Ω上的电压电阻和当前的通过电路是不变的,即电路的所有初始条件是完整的。












