让我们来理解这个声明。
这里,电路中有两个1.5伏的电池。在这种情况下当前的通过1欧姆的电阻是1.2安培。
的安培表表示上图中的值。
现在,我们替换左边电池通过如图所示的短路。在这种情况下,流过1欧姆电阻的电流是0.6安培。如上图所示,电流表指示这个值。
现在,我们用如图所示的短路替换右边的电池。在这种情况下,流过1欧姆电阻的电流也是0.6安培。的安培表指示上图所示的值。
1.2 = 0.6 + 0.6
所以,我们可以说,如果我们连接一个分支电路对数字的电压和电流源总计当前的流经这个支路的是由每个电压或电流源贡献的所有单独电流的总和。这个简单的概念用数学表示为叠加定理.
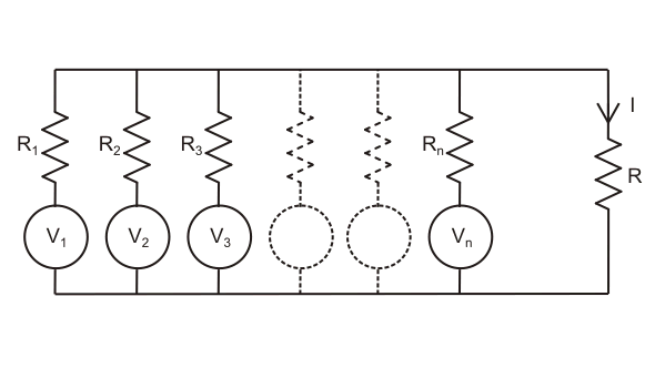
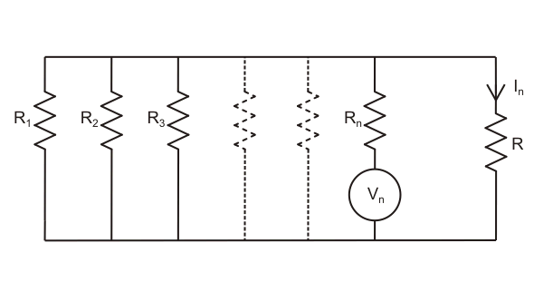
不是像上面所示的有两个源,而是有n个源作用在一个电路中,由于I电流流过电路的一个支路。
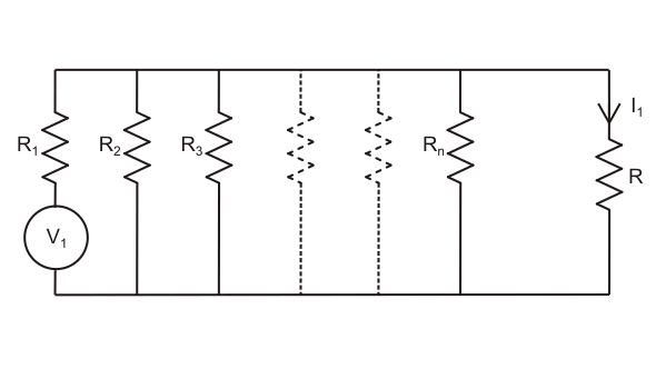
如果有人用他们的内部电路替换了所有的电源电阻除了第一个电源,它现在在电路中运行并给出电流I1通过上述分支,然后他重新连接第二个来源,并以其内部阻力取代第一个来源。
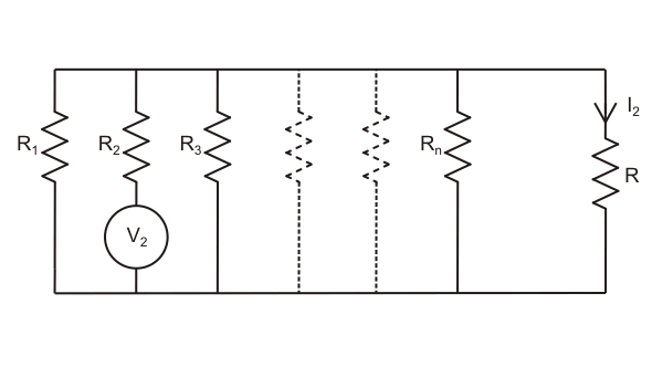
现在,通过这个支路的电流对于第二个源可以假设为I2.
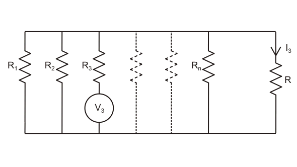
同样地,如果他重新连接第三个来源,并用它的内部阻力替换第二个来源。现在,通过第三个电源的支路的电流,单独被假设为I3..
同样,当nth电源在电路中单独起作用,所有其他的电源都被它们的内部所取代电抗性,我说n电流流过电路的上述支路。
现在根据叠加定理,当所有电源同时作用于电路时通过支路的电流,只不过是单个电源单独作用于电路所产生的单个电流的总和。
电源主要有两种,一种是电压源和其他电流源.当我们从电路中去掉电压源时,电路中的电压变为零。为了得到零电势差在移除的电压源连接的点之间,这两点必须通过零电阻路径短路。为了更精确,我们可以用它的内阻来代替电压源。现在如果我们从电路中移除一个电流源,由这个电流源产生的电流就会变成零。零电流意味着开路。所以当我们从电路中移除电流源时,我们只是将电源和电路端子断开,并保持两个端子都是开路的。由于电流源的理想内阻是无限大的,从电路中去掉一个电流源也可以称为用电流源的内部来替换电流源电阻.因此,对于叠加定理,电压源用短路代替,电源用开路代替。
这个定理只适用于线性电路,即由电阻组成的电路欧姆定律是有效的。在具有非线性电阻的电路中,如热离子阀、金属整流器,这个定理将不适用。这个定理比许多其他电路定理要复杂得多。但这种方法的主要优点是,它避免了两个或多个联立方程的解。但经过一些实践,这种方法可以直接从原电路图写出方程,节省了多画图的劳力。为了更好地理解这个过程,我们提供了叠加定理如下所示,
步- 1
用内部电阻替换除一个以外的所有源。
- 2步
用简单的方法确定不同支路的电流欧姆定律.
- 3步
每次轮流使用每个源作为唯一源重复这个过程。
- 4步
将每个源在一个特定支路中的所有电流相加。这是当所有的电源同时作用在电路上时,该支路上的期望电流值。
叠加定理的例子
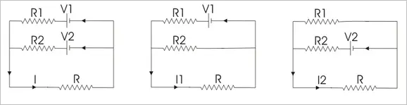
假设有两个电压源V1和V2同时作用于电路上的。
因为这两个电压源,假设电流I流过电阻R。
现在取代V2通过短路,保持V1在其位置测量电流通过电阻R.说是我1.
然后替换,V1通过短路,重新连接V2到初始位置,测量通过相同电阻R的电流,设它为I2.
现在如果我们把这两个电流加起来1和我2我们得到的电流等于实际上流过R的电流,当两个电压源都是V时1和V2同时作用在电路上。这是我1+我2=我。














